|
| |

|
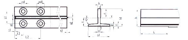
COD. |
COD.ISO |
b1 |
h1 |
h |
k |
n |
c |
g |
f |
rs |
m1 |
m2 |
t1 |
t2 |
TOLERANCES |
±1.5 |
|
±0.1
(±0.05) |
+0.1
0(±0.05) |
+3
0 |
|
±0.75 |
|
|
(±0.03)
(0)+0.05
0
|
(0)
(-0.03)
-0.04
|
±0.1 |
±0.1 |
RP75 |
T75-3/B |
75 |
62 |
61 |
10 |
30 |
8 |
7 |
9 |
3 |
3 |
2.95 |
3.5 |
3 |
RP89 |
T89/B |
89 |
62 |
61 |
15.88 |
33.4 |
10 |
7.9 |
11.1 |
3 |
6.4 |
6.37 |
7.14 |
6.35 |
RP90 |
T90/B |
90 |
75 |
74 |
16 |
42 |
10 |
8 |
10 |
1 |
6.4 |
6.37 |
7.14 |
6.35 |
RP114 |
T114/B |
114 |
89 |
88 |
16 |
38 |
10 |
8 |
12 |
4 |
6.4 |
6.37 |
7.14 |
6.35 |
RP127 |
T127-1/B |
127 |
88.9 |
88 |
15.88 |
44.5 |
10 |
7.9 |
11.1 |
4 |
6.4 |
6.37 |
7.14 |
6.35 |
RP127 |
T127-2/B |
127 |
88.9 |
88 |
15.88 |
45.8 |
10 |
12.7 |
15.9 |
5 |
6.4 |
6.37 |
7.14 |
6.35 |
RP140 |
T140-1/B |
140 |
108 |
107 |
19 |
45.8 |
12.7 |
12.7 |
15.9 |
5 |
6.4 |
6.37 |
7.14 |
6.35 |
RP140 |
T140-2/B |
140 |
102 |
101 |
28.6 |
45.8 |
17.5 |
14.5 |
17.5 |
5 |
6.4 |
6.37 |
7.14 |
6.35 |
COD. |
COD.ISO |
s |
q1 |
e |
lxx |
Wxx |
ixx |
lyy |
Wyy |
iyy |
Cm2 |
kg/m |
Cm |
Cm4 |
Cm3 |
Cm |
Cm4 |
Cm3 |
Cm |
RP75 |
T75-3/B |
10.99 |
8.45 |
1.86 |
40.35 |
9.29 |
1.92 |
26.49 |
7.06 |
1.55 |
RP89 |
T89/B |
15.7 |
12.3 |
2.29 |
59.7 |
14.5 |
1.98 |
53 |
11.9 |
1.84 |
RP90 |
T90/B |
17.2 |
13.5 |
2.65 |
102.2 |
20.9 |
2.5 |
52 |
11.9 |
1.76 |
RP114 |
T114/B |
20.8 |
16.4 |
2.87 |
179 |
29.7 |
2.93 |
108 |
19.1 |
2.26 |
RP127 |
T127-1/B |
22.6 |
17.8 |
2.75 |
187 |
30.4 |
2.91 |
151.5 |
24 |
2.65 |
RP127 |
T127-2/B |
28.9 |
22.7 |
2.46 |
200 |
31 |
2.68 |
235 |
36.8 |
2.86 |
RP140 |
T140-1/B |
35.1 |
27.6 |
3.24 |
404 |
53.4 |
3.4 |
312 |
44.7 |
2.98 |
RP140 |
T140-2/B |
42.9 |
33.6 |
3.52 |
445 |
68.7 |
3.3 |
357 |
51.2 |
2.89 |
|
|
2008 Copyright HsinHow Enterprise Co., Ltd. All Rights Reserved
Design by Cosmoglo Co., Ltd.